UNION
1140 produits
Affiche 529 - 576 de 1140 produits
Affiche 529 - 576 de 1140 produits
Afficher
Voir


UNION
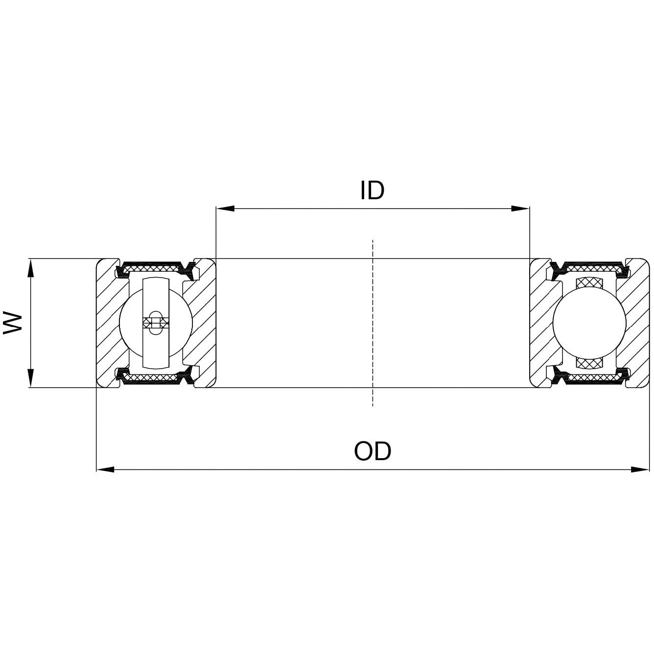
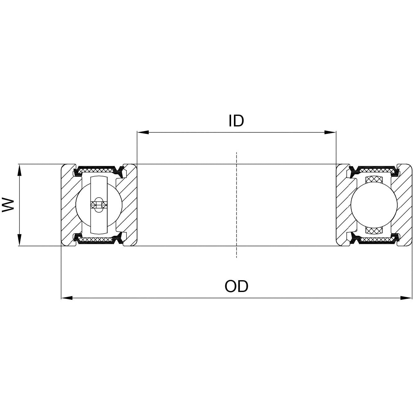
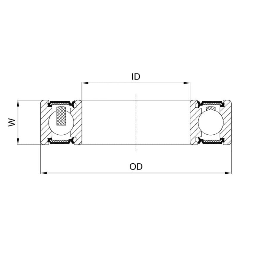
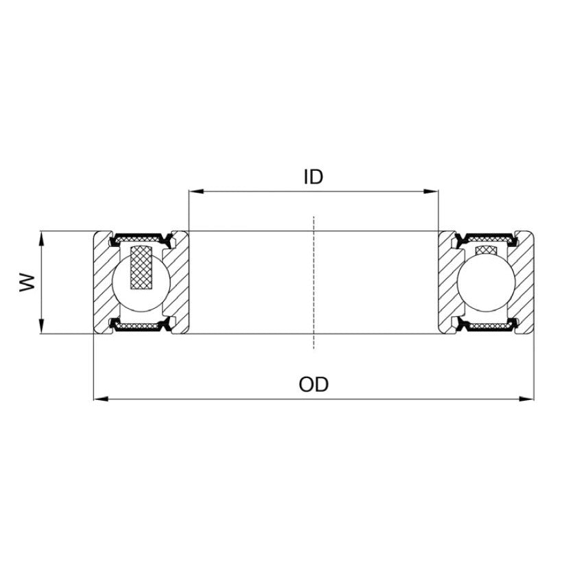
Marwi Keram. roulement à billes CB-353 MR17287 LLB 17x28x7 436353
Prix réduit€20,99
41 en stock
Filtres (0)



























































































